PMC SBF700
Kaina be PVM
Spausdinti
INFORMACIJA
Prekių grupė
Kiti priedai
Gamintojas / modelis
PMC SBF700
Registracijos metai
2024
Papildomos galimybės
Demonstracinė
Technikos darbo vieta
Riga, Rīga
Šalis
Latvija
Bendras įvertinimas
1
2
3
4
5
Mascus ID
B1DACBA3
KAINOS
Pasirinkite valiutą
IŠSAMESNĖ INFORMACIJA
Buvusių savininkų skaičius
1
Transporto svoris
520 kg
Visa aptarnavimo istorija
Taip
Tinka šioms mašinoms
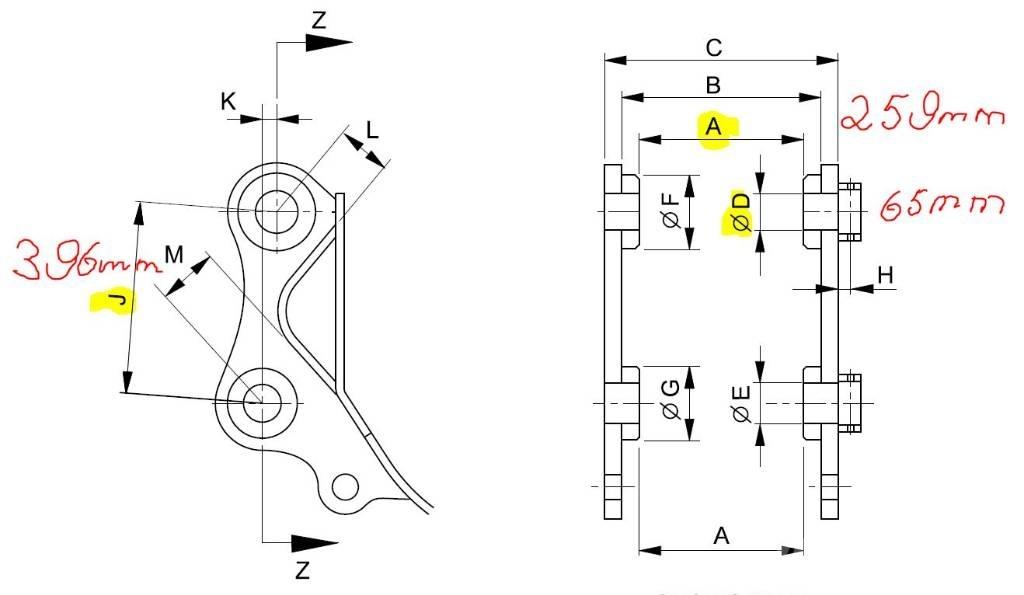
12-16t ekskavatoriem ar 65mm kausa tapām
Informacija apie būklę/Garantija
Mazlietotds
Gamybos šalis
Estija
Balti Tehnika Serviss SIA
Ventspils iela 50 LV-1002 Rīga Rīga Estija
13
Metų „Mascus“Gauti pranešimą el. paštu
